電動三片式法蘭球閥
電動三片式法蘭球閥是由電動執(zhí)行器和三片式法蘭球閥組成。
產品型號:Q941F
產品口徑:1/2-5寸
產品壓力:150LB、300LB
產品材質:WCB,CF8,CF8M
產品應用:石油,化工,電站
| 試驗項目 | 殼體試驗 | 密封試驗 | 上密封試驗 | 氣密封試驗 | |
| 介質 | 水 | 氣 | |||
| 單位 | MPa | MPa | MPa | MPa | |
| 公稱壓力PN(MPa) | 1.6 | 2.4 | 1 8 | 1 8 | 0.5-0.7 |
| 2.5 | 3.8 | 2.8 | 2.8 | ||
| 4 | 6 | 4.4 | 4.4 | ||
| 6.4 | 9.6 | 7 | 7 | ||
| 10 | 15 | 11 | 11 | ||
| 16 | 24 | 18 | 18 | ||
名稱 | 材質 | ||
ANSI/JIS/DIN | ANSI/JIS/DIN | ANSI/JIS/DIN | |
閥體 | A351-CF8M/SCS14A/1.4408 | A351-CF8/SCS13A/1.4308 | A216-WCB/SCPH2/1.0619 |
閥蓋 | A351-CF8M/SCS14A/1.4408 | A351-CF8/SCS13A/1.4308 | A216-WCB/SCPH2/1.0619 |
球 | SUS316 | SUS304 | |
六角螺母 | A194-8 | ||
彈性墊片 | SUS304 | ||
密封圈 | PTFE/VITON | ||
閥座 | PTFE/RPTFE/PPL | ||
閥桿 | SUS316 | SUS304 | |
O型圈 | FKM(VITON) | ||
止推墊 | PTFE/RPTFE | ||
填料 | PTFE/GRAFOIL | ||
蝶簧 | SUS304 | ||
閥桿螺母 | SUS304 | ||
填料壓蓋 | SUS304 | ||
手柄 | SUS201 | ||
定位桿 | SUS304 | ||
內六角圓柱頭螺釘 | SUS304 | ||
六角螺母 | A194-8 | ||
雙頭螺栓 | SA193-B8 | ||

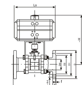
公稱通徑 DN(mm) | 尺寸(mm) | |||||||
L | D | D1 | D2 | b-f | z-Φd | H | W | |
15 | 130 | 95 | 65 | 45 | 2-14 | 4-Φ14 | 65 | 115 |
20 | 140 | 105 | 75 | 55 | 2-14 | 4-Φ14 | 75 | 130 |
25 | 150 | 115 | 85 | 65 | 2-14 | 4-Φ14 | 85 | 150 |
32 | 165 | 135 | 100 | 78 | 2-16 | 4-Φ18 | 95 | 190 |
40 | 180 | 145 | 110 | 85 | 3-16 | 4-Φ18 | 105 | 230 |
50 | 200 | 160 | 125 | 100 | 3-16 | 4-Φ18 | 115 | 240 |
65 | 220 | 180 | 145 | 120 | 3-18 | 4-Φ18 | 145 | 280 |
80 | 250 | 195 | 160 | 135 | 3-20 | 8-Φ18 | 160 | 310 |
100 | 280 | 215 | 180 | 155 | 3-20 | 8-Φ18 | 185 | 330 |
125 | 320 | 245 | 210 | 185 | 3-22 | 8-Φ18 | 215 | 600 |
150 | 360 | 280 | 240 | 210 | 3-24 | 8-中23 | 245 | 800 |
200 | 400 | 335 | 295 | 265 | 3-26 | 12-Φ23 | 300 | 1000 |
250 | 450 | 405 | 355 | 320 | 3-30 | 12-Φ25 | 380 | 1200 |